bifa·必发(中国)唯一官方网站

医疗设备、分析仪器、制药机械
T100/T400-SE01-02 42步进电机一体机
T100-SE01-02和T400-SE01-02是主要用于仪器设备配套的OEM蠕动泵驱动器,可适配KZ10-24或KZ15-14蠕动泵泵头。采用42步进电机,电机与驱动集成为一体机,结构紧凑,体积小巧。通过数字信号、模拟量信号、脉冲信号对泵进行远程控制。
  • T100/T400-SE01-02 42步进电机一体机
  • T100/T400-SE01-02 42步进电机一体机
  • T100/T400-SE01-02 42步进电机一体机
  • T100/T400-SE01-02 42步进电机一体机
产品特点

采用42步进电机,电机驱动与电机集成为一体,体积小巧,结构紧凑

通过外部数字信号、模拟量信号、脉冲信号控制泵的运行

适配KZ10-24(双通道)或KZ15-14 (单通道) 蠕动泵泵头

技术参数
参数
电机类型 步进电机
是否含控制板
最大参考流量(单通道) T100-SE01-02:≤42ml/min T400-SE01-02:≤168ml/min
含泵头型号 无(泵头需单配)
转速范围 T100-SE01-02:≤100rpm T400-SE01-02:≤400rpm
转速控制 DIP拨码开关,4-20mA, 0-5V, 0-10V, 0-10kHz
控制功能 转速、启停、方向
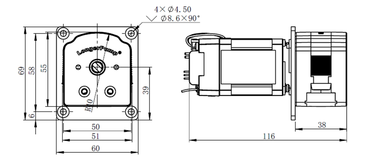
外形尺寸 116x60x69mm
安装方式 面板安装
适用电源 T100-SE01-02:DC24V/8W T400-SE01-02:DC24V/12W
工作环境温度 0℃-40℃
工作环境湿度 <80%
重量 0.54kg (带泵头)
演示视频
  • bifa·必发(中国)唯一官方网站42步进电机一体机外控信号控制

  • bifa·必发(中国)唯一官方网站42步进电机一体机DIP拨码开关设置转速

  • bifa·必发(中国)唯一官方网站42步进电机一体机通讯方式控制

  • bifa·必发(中国)唯一官方网站42步进电机一体机外控信号控制
  • bifa·必发(中国)唯一官方网站42步进电机一体机DIP拨码开关设置转速
  • bifa·必发(中国)唯一官方网站42步进电机一体机通讯方式控制

详细参数



T100-SE01&BPH01

T100-SE01-02 

T100-SE01&WX10-14-H

T100-SE01&JY15-12-C

T400-SE01&BPH01

T400-SE01-02

转速范围

0-100rpm

0-400rpm

控制分辨率

0.1rpm

1rpm

方向控制

外部接入空触点信号控制泵的运行方向。

支持电平触发或脉冲触发,通过通信指令设置触发方式。

出厂默认触发逻辑:电平方式触发,触点断开,顺时针运行;触点闭合,逆时针运行

启停控制

外部接入空触点信号控制泵的启停状态。

支持电平触发或脉冲触发,通过通信指令设置触发方式。

出厂默认触发逻辑:电平方式触发,触点断开,泵运行;触点闭合,泵停止

DIP拨码开关设置转速

5位DIP拨码开关可设置转速0-100rpm,每5rpm为一档

5位DIP拨码开关可设置转速0-400rpm,

每20rpm为一档

外部转速控制信号

4-20mA,0-5V,0-10V,0-10kHz,默认线性对应0-100rpm。

转速信号和转速范围可通过通信指令设置

4-20mA,0-5V,0-10V,0-10kHz,默认线性对应

0-400rpm。转速信号和转速范围可通过通信指令设置

输出功能

DC5V  10mA

适配电源要求

DC24V/8W

DC24V/12W

外形尺寸(L*W*H)

带BPH01泵头:117x64x63mm

带KZ15/KZ10泵头:116x60x69mm

带WX10泵头:94x59x67.5mm

带JY15-12泵头: 110x60x61mm

安装方式

面板安装

工作环境参数

温度0℃-40℃,湿度<80%

产品重量(含泵头)

带WX10泵头:0.47kg; 带BPH01/JY15/KZ10/KZ15泵头:0.54kg


适配泵头软管及流量


驱动器型号

最大转速

适配泵头

适配软管

最大参考流量(mL/min) 

T100-SE01-02

100rpm

KZ10

内径≤3.17mm,壁厚0.86mm

23

KZ15

13#,14#,19#,16#

42

T400-SE01-02

400rpm

KZ10

内径≤3.17mm,壁厚0.86mm

92

KZ15

13#,14#,19#,16#

168

T100-SE01&BPH01

100rpm

BPH01(已含)

13#,14#,19#,16#,25#

82

T400-SE01&BPH01

400rpm

BPH01(已含)

13#,14#,19#,16#,25#

340

T100-SE01&WX10-14-H

100rpm

WX10-14-H (已含)

内径≤3.17mm,壁厚0.8-1mm

40

T100-SE01&JY15-12-C

100rpm

JY15-12-C (已含)

25#, 17#

170


外形尺寸图


42 KZ10 15.jpg


流量曲线图


KZ10-24.jpgKZ15-14.jpg




  • 产品特点
  • 技术参数
  • 演示视频
  • 应用场景
相关产品
需要帮助?
  • 产品咨询

    如需购买或了解更多产品信息,请联系bifa·必发(中国)唯一官方网站,bifa·必发(中国)唯一官方网站的团队非常乐意为您提供帮助。

    立即咨询

免责声明

感谢您(以下称“本服务”)。在使用本服务前,请您务必仔细阅读并透彻理解本声明。一旦您开始使用本服 务,您的使用行为将被视为对本声明全部内容的认可。 感谢您(以下称“本服务”)。在使用本服务前,请您务必仔细阅读并透彻理解本声明。一旦您开始使用本服 务,您的使用行为将被视为对本声明全部内容的认可。 感谢您(以下称“本服务”)。在使用本服务前,请您务必仔细阅读并透彻理解本声明。一旦您开始使用本服 务,您的使用行为将被视为对本声明全部内容的认可。 感谢您(以下称“本服务”)。在使用本服务前,请您务必仔细阅读并透彻理解本声明。一旦您开始使用本服 务,您的使用行为将被视为对本声明全部内容的认可。 感谢您(以下称“本服务”)。在使用本服务前,请您务必仔细阅读并透彻理解本声明。一旦您开始使用本服 务,您的使用行为将被视为对本声明全部内容的认可。 感谢您(以下称“本服务”)。在使用本服务前,请您务必仔细阅读并透彻理解本声明。一旦您开始使用本服 务,您的使用行为将被视为对本声明全部内容的认可。

欢迎您留言咨询

bifa·必发(中国)唯一官方网站的工作人员将尽快与您取得联系。如需即时服务或支持,请随时拨打bifa·必发(中国)唯一官方网站的服务热线: 400-620-5333,bifa·必发(中国)唯一官方网站将竭诚为您服务。
  • 姓名*

  • 电话*

  • 邮箱

  • 公司*

  • 城市*

  • *验证码

  • 请详细描述您的需求*

bifa·必发(中国)唯一官方网站承诺,通过本网站提交的所有信息将遵循bifa·必发(中国)唯一官方网站的 隐私政策   进行安全处理和保护。

意见